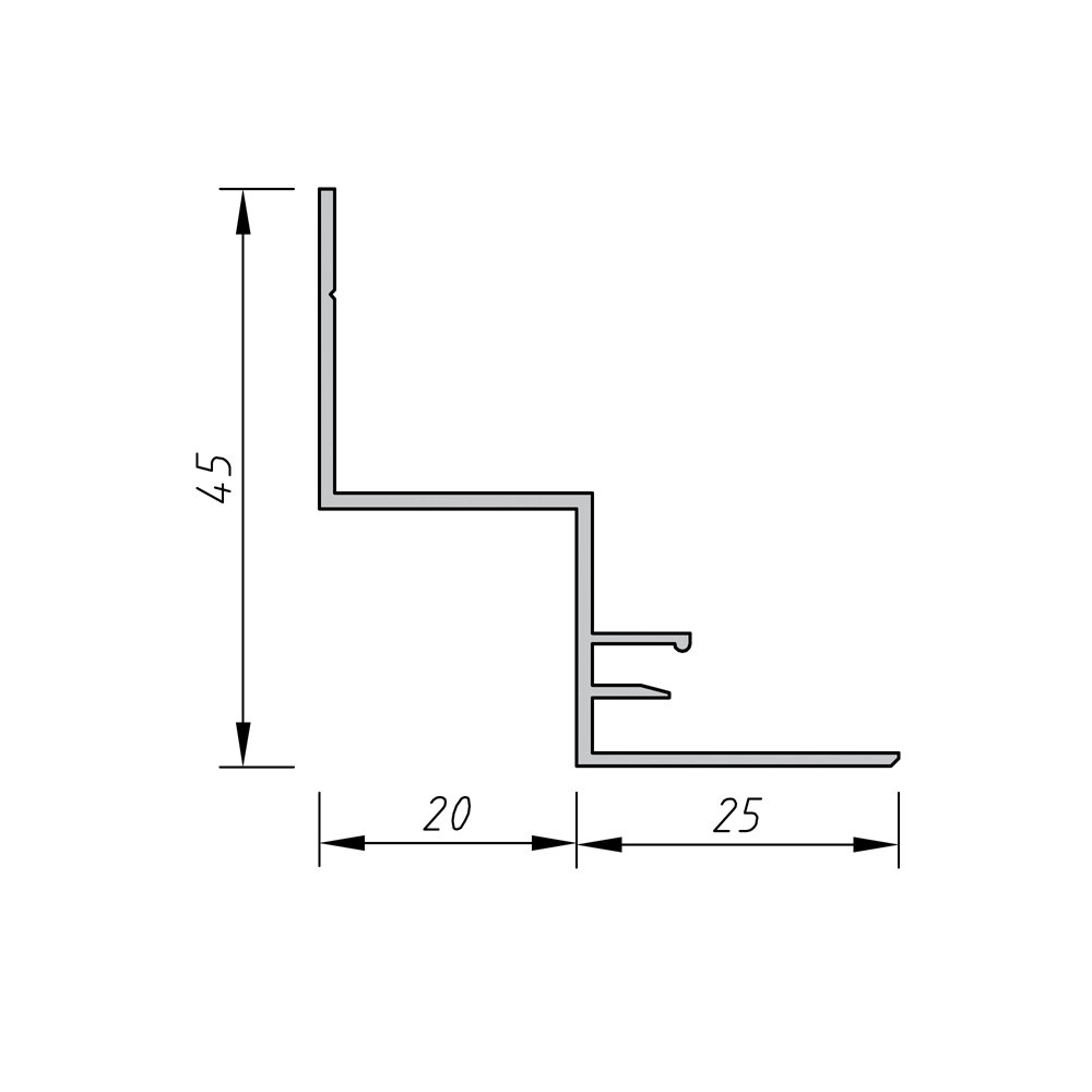
Federleisten

Fural Federleisten sorgen für den optimalen Anschluss der Metalldecke an die Wand. Eine große Auswahl an Schattenfederleisten komplettiert das Sortiment. Die Profile sind aus gepresstem Aluminium. Die mitgelieferten Niederhaltefedern garantieren eine perfekte Optik bei Anschnittkassetten. Abschlussprofile aus Stahl sind auf Anfrage erhältlich.

Lieferlänge 4 m, Standardfarbton RAL 9010

Federleiste